LRQ-DEシリーズ リニアエンコーダを内蔵した高精度リニアステージ
LRQ-DEシリーズ リニアエンコーダを内蔵した高精度リニアステージ
• 600 mmの移動量で最大10 µmの精度
• 最大速度270 mm/s、最大推力500 N
• 耐荷重100 kg
• インラインおよびパラレルドライブ構成
• ボールネジおよびリードネジ構成
• 50 nm分解能の内蔵リニアエンコーダにより、スリップ/ストール検出と位置補正が可能
• X-MCCシリーズステッピングモーターコントローラーまたは任意の2相ステッピングモーターコントローラーと併用可能
• AutoDetect機能により、X-MCCコントローラーは接続された周辺機器に合わせて設定を自動構成します
• カスタムバージョンもご用意
特徴
このシリーズについて
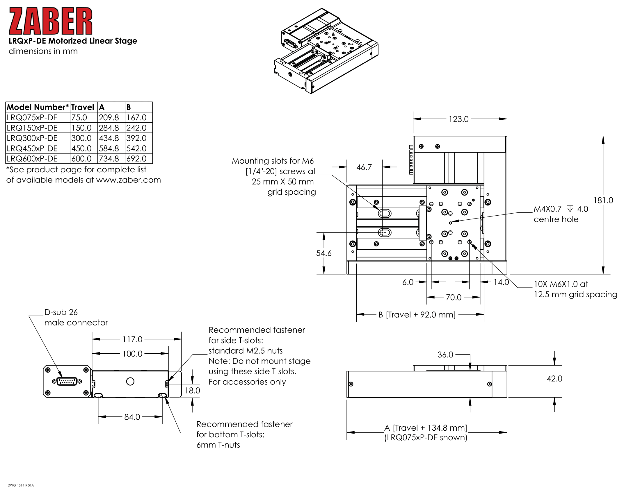
Zaber社のLRQ-DEシリーズは、コンパクトなサイズでありながら、高い剛性、耐荷重性、長寿命性を備えたコンピュータ制御の電動リニアステージです。内蔵リニアエンコーダとステージキャリブレーションを組み合わせることで、装置の全移動量にわたって高精度な位置決めを実現します。高さわずか36mmのこれらのステージは、薄型が求められる用途に最適です。これらのステージは最大270mm/sの速度に対応し、XYおよびXYZシステムにボルトで固定できます。多軸構成によっては追加のアクセサリが必要になる場合がありますので、適切なアクセサリを選択されているか、Zaber社のテクニカルサポートまでお問い合わせください。各デバイスは、インラインまたはパラレルドライブ構成でご利用いただけます。
これらのステージは、X-MCCシリーズユニバーサルモーターコントローラーに直接接続するように設計されています。また、パネルマウントDB26コネクターを介して任意の2相ステッピングモーターコントローラーに接続することもできます。AutoDetect機能によりセットアップは簡単です。接続すると、X-MCCコントローラーはLRQ-DEを自動的に検出し、構成します。
1. 50nmの分解能とステージキャリブレーション機能を備えた一体型リニアエンコーダにより、最大10µmの移動精度を実現します。
2. インラインおよびパラレルドライブ構成。
3. リードスクリューおよびボールスクリュー構成。
4. ステージトップは、M3およびM6メトリックネジ穴に対応しています。
5. 移動距離は75~600mmで、カスタム長さもご用意しています。
6. 1回転あたり200ステップのステッピングモーターを搭載。
7. LRQ-DEステージは、AB104アングルブラケットを使用してXYまたはXYZ構成に組み立てることができます。
8. 自動検出機能付きパネルマウントDB26により、LRQ-DEをX-MCCシリーズコントローラに簡単に接続でき、ユーザーによる追加入力なしですぐに使用できます。

簡単なセットアップ
簡単セットアップ
X-MCCコントローラーはAutoDetect機能を搭載しており、周辺機器を自動的に検出して設定します。Zaberのデバイスはデイジーチェーン接続を通じてデータと電源の両方を共有できるため、配線が削減され、セットアップは1、2、3と非常に簡単です。
1. X-MCCコントローラーをコンピューターに接続します。
2. コントローラーを周辺機器に接続し、電源を接続します。
3. Zaber Launcherを使用して、指示を送信するか、セットアップを自動化します。
デイジーチェーン接続の詳細については、技術記事「データと電源のデイジーチェーン接続による配線削減」をご覧ください。また、システムに必要なアクセサリを確認するには、接続ガイドツールをご利用ください。
デバイスのセットアップに関する詳細については、サポートページをご覧ください。スタートガイド、トラブルシューティングガイド、製品ユーザーマニュアル、その他のリソースが掲載されています。
閉じる
仕様
内蔵コントローラ
- ×
推奨コントローラ
- X-MCC (48 V)
自動検出
- 〇
繰り返し精度
- < 2 µm (< 0.000079")
エンコーダータイプ
- リニア式直交エンコーダ
エンコーダ解像度
- 50 nm
最大中心荷重
- 1000 N (224.3ポンド)
最大モーメント (ピッチ)
- 30 N⋅m (22.1 フィート⋅ポンド)
最大モーメント (ロール)
- 30 N⋅m (22.1 フィート⋅ポンド)
最大モーメント (ヨー)
- 30 N⋅m (22.1 フィート⋅ポンド)
ガイドタイプ
- 循環式ボールリニアガイド
回転剛性(ピッチ)
- 500 N⋅m/° (35 µrad/N⋅m)
回転剛性(ロール)
- 1180 N⋅m/° (15 µrad/N⋅m)
回転剛性(ヨー)
- 450 N⋅m/° (39 µrad/N⋅m)
モーター回転数
- 200
モータータイプ
- ステッピングモーター (2相)
モーター定格電流
- 2300 mA/相
モーター巻線抵抗
- 1 ohms/相
インダクタンス
- 2.2 mH/相
モーター接続
- D-sub 26
デフォルト解像度
- 1/64 ステップ
リミットまたはホームセンシング
- 磁気ホームセンサー
動作軸
- 1
取り付けインターフェース
- M6 および M3のネジ穴
動作温度範囲
- 0 ~ 50 °C
CE 準拠
- 〇
真空対応
- ×
閉じる
テクニカルサポート&図面ファイル
DLデータシート
STEPファイル(.step)
SolidWorks ファイル(.sldasm)
閉じる
Specifications
型番仕様
| 型番/スペックシートDL | 概要 | リードタイム | 見積もり/お問い合わせ | ||||
|---|---|---|---|---|---|---|---|
| 型番/スペックシートDL | LRQ075AL-DE51T10A-Datasheet.pdf | 概要 | リードスクリュー駆動 | 75 mm 移動量 | 高分解能 | 低速 | インライン駆動 | リードタイム | 14日-21日 | 見積もり/お問い合わせ | お問い合わせはこちら |
| 型番/スペックシートDL | LRQ075BL-DE51T10A-Datasheet.pdf | 概要 | リードスクリュー駆動 | 75 mm 移動量 | 中分解能 | 中速度 | インライン駆動 | リードタイム | 14日-21日 | 見積もり/お問い合わせ | お問い合わせはこちら |
| 型番/スペックシートDL | LRQ075HL-DE51T10A-Datasheet.pdf | 概要 | ボールねじ駆動 | 75 mm 移動量 | 高分解能 | 低速 | インライン駆動 | リードタイム | 14日-21日 | 見積もり/お問い合わせ | お問い合わせはこちら |
| 型番/スペックシートDL | LRQ150AL-DE51T10A-Datasheet.pdf | 概要 | リードスクリュー駆動 | 150 mm 移動量 | 高分解能 | 低速 | インライン駆動 | リードタイム | 14日-21日 | 見積もり/お問い合わせ | お問い合わせはこちら |
| 型番/スペックシートDL | LRQ150BL-DE51T10A-Datasheet.pdf | 概要 | リードスクリュー駆動 | 150 mm 移動量 | 中分解能 | 中速度 | インライン駆動 | リードタイム | 14日-21日 | 見積もり/お問い合わせ | お問い合わせはこちら |
| 型番/スペックシートDL | LRQ150HL-DE51T10A-Datasheet.pdf | 概要 | ボールねじ駆動 | 150 mm 移動量 | 高分解能 | 低速 | インライン駆動 | リードタイム | 14日-21日 | 見積もり/お問い合わせ | お問い合わせはこちら |
| 型番/スペックシートDL | LRQ300AL-DE51T10A-Datasheet.pdf | 概要 | リードスクリュー駆動 | 300 mm 移動量 | 高分解能 | 低速 | インライン駆動 | リードタイム | 14日-21日 | 見積もり/お問い合わせ | お問い合わせはこちら |
| 型番/スペックシートDL | LRQ300BL-DE51T10A-Datasheet.pdf | 概要 | リードスクリュー駆動 | 300 mm 移動量 | 中分解能 | 中速度 | インライン駆動 | リードタイム | 14日-21日 | 見積もり/お問い合わせ | お問い合わせはこちら |
| 型番/スペックシートDL | LRQ300HL-DE51T10A-Datasheet.pdf | 概要 | ボールねじ駆動 | 300 mm 移動量 | 高分解能 | 低速 | インライン駆動 | リードタイム | 14日-21日 | 見積もり/お問い合わせ | お問い合わせはこちら |
| 型番/スペックシートDL | LRQ450AL-DE51T10A-Datasheet.pdf | 概要 | リードスクリュー駆動 | 450 mm 移動量 | 高分解能 | 低速 | インライン駆動 | リードタイム | 14日-21日 | 見積もり/お問い合わせ | お問い合わせはこちら |
| 型番/スペックシートDL | LRQ450BL-DE51T10A-Datasheet.pdf | 概要 | リードスクリュー駆動 | 450 mm 移動量 | 中分解能 | 中速度 | インライン駆動 | リードタイム | 14日-21日 | 見積もり/お問い合わせ | お問い合わせはこちら |
| 型番/スペックシートDL | LRQ450HL-DE51T10A-Datasheet.pdf | 概要 | ボールねじ駆動 | 450 mm 移動量 | 高分解能 | 低速 | インライン駆動 | リードタイム | 14日-21日 | 見積もり/お問い合わせ | お問い合わせはこちら |
| 型番/スペックシートDL | LRQ600AL-DE51T10A-Datasheet.pdf | 概要 | リードスクリュー駆動 |600 mm 移動量 | 高分解能 | 低速 | インライン駆動 | リードタイム | 14日-21日 | 見積もり/お問い合わせ | お問い合わせはこちら |
| 型番/スペックシートDL | LRQ600BL-DE51T10A-Datasheet.pdf | 概要 | リードスクリュー駆動 | 600 mm 移動量 | 中分解能 | 中速度 | インライン駆動 | リードタイム | 14日-21日 | 見積もり/お問い合わせ | お問い合わせはこちら |
| 型番/スペックシートDL | LRQ600HL-DE51T10A-Datasheet.pdf | 概要 | ボールねじ駆動 | 600 mm 移動量 | 高分解能 | 低速 | インライン駆動 | リードタイム | 14日-21日 | 見積もり/お問い合わせ | お問い合わせはこちら |
| 型番/スペックシートDL | LRQ075AP-DE51T10A-Datasheet.pdf | 概要 | リードスクリュー駆動 | 75 mm 移動量 | 高分解能 | 低速 | 平行駆動 | リードタイム | 14日-21日 | 見積もり/お問い合わせ | お問い合わせはこちら |
| 型番/スペックシートDL | LRQ075BP-DE51T10A-Datasheet.pdf | 概要 | リードスクリュー駆動 | 75 mm 移動量 | 中分解能 | 中速度 | 平行駆動 | リードタイム | 14日-21日 | 見積もり/お問い合わせ | お問い合わせはこちら |
| 型番/スペックシートDL | LRQ075HP-DE51T10A-Datasheet.pdf | 概要 | ボールねじ駆動 | 75 mm 移動量 | 高分解能 | 低速 | 平行駆動 | リードタイム | 14日-21日 | 見積もり/お問い合わせ | お問い合わせはこちら |
| 型番/スペックシートDL | RQ150AP-DE51T10A-Datasheet.pdf | 概要 | リードスクリュー駆動 | 150 mm 移動量 | 高分解能 | 低速 | 平行駆動 | リードタイム | 14日-21日 | 見積もり/お問い合わせ | お問い合わせはこちら |
| 型番/スペックシートDL | LRQ150BP-DE51T10A-Datasheet.pdf | 概要 | リードスクリュー駆動 | 150 mm 移動量 | 中分解能 | 中速度 | 平行駆動 | リードタイム | 14日-21日 | 見積もり/お問い合わせ | お問い合わせはこちら |
| 型番/スペックシートDL | LRQ150HP-DE51T10A-Datasheet.pdf | 概要 | ボールねじ駆動 | 150 mm 移動量 | 高分解能 | 低速 | 平行駆動 | リードタイム | 14日-21日 | 見積もり/お問い合わせ | お問い合わせはこちら |
| 型番/スペックシートDL | LRQ300AP-DE51T10A-Datasheet.pdf | 概要 | リードスクリュー駆動 | 300 mm 移動量 | 高分解能 | 低速 | 平行駆動 | リードタイム | 14日-21日 | 見積もり/お問い合わせ | お問い合わせはこちら |
| 型番/スペックシートDL | LRQ300BP-DE51T10A-Datasheet.pdf | 概要 | リードスクリュー駆動 | 300 mm 移動量 | 中分解能 | 中速度 | 平行駆動 | リードタイム | 14日-21日 | 見積もり/お問い合わせ | お問い合わせはこちら |
| 型番/スペックシートDL | LRQ300HP-DE51T10A-Datasheet.pdf | 概要 | ボールねじ駆動 | 300 mm 移動量 | 高分解能 | 低速 | 平行駆動 | リードタイム | 14日-21日 | 見積もり/お問い合わせ | お問い合わせはこちら |
| 型番/スペックシートDL | LRQ450AP-DE51T10A-Datasheet.pdf | 概要 | リードスクリュー駆動 | 450 mm 移動量 | 高分解能 | 低速 | 平行駆動 | リードタイム | 14日-21日 | 見積もり/お問い合わせ | お問い合わせはこちら |
| 型番/スペックシートDL | LRQ450BP-DE51T10A-Datasheet.pdf | 概要 | リードスクリュー駆動 | 450 mm 移動量 | 中分解能 | 中速度 | 平行駆動 | リードタイム | 14日-21日 | 見積もり/お問い合わせ | お問い合わせはこちら |
| 型番/スペックシートDL | LRQ450HP-DE51T10A-Datasheet.pdf | 概要 | ボールねじ駆動 | 450 mm 移動量 | 高分解能 | 低速 | 平行駆動 | リードタイム | 14日-21日 | 見積もり/お問い合わせ | お問い合わせはこちら |
| 型番/スペックシートDL | LRQ600AP-DE51T10A-Datasheet.pdf | 概要 | リードスクリュー駆動 | 600 mm 移動量 | 高分解能 | 低速 | 平行駆動 | リードタイム | 14日-21日 | 見積もり/お問い合わせ | お問い合わせはこちら |
| 型番/スペックシートDL | LRQ600BP-DE51T10A-Datasheet.pdf | 概要 | リードスクリュー駆動 | 600 mm 移動量 | 中分解能 | 中速度 | 平行駆動 | リードタイム | 14日-21日 | 見積もり/お問い合わせ | お問い合わせはこちら |
| 型番/スペックシートDL | LRQ600HP-DE51T10A-Datasheet.pdf | 概要 | ボールねじ駆動 | 600 mm 移動量 | 高分解能 | 低速 | 平行駆動 | リードタイム | 14日-21日 | 見積もり/お問い合わせ | お問い合わせはこちら |
Accessories
互換アクセサリ
ケーブルとコネクタ
| 型番/スペックシートDL | 概要 | リードタイム | 見積もり/お問い合わせ | ||||
|---|---|---|---|---|---|---|---|
| 型番/スペックシートDL | MC10 | 概要 | モーター延長ケーブル(1.5 m)、X-MCCシリーズコントローラおよびT10AまたはT12A周辺機器用 | リードタイム | 14-21日 | 見積もり/お問い合わせ | お問い合わせはこちら |
| 型番/スペックシートDL | MC10L060 | 概要 | モーター延長ケーブル(0.6 m)、X-MCCシリーズコントローラおよびT10AまたはT12A周辺機器用 | リードタイム | 14-21日 | 見積もり/お問い合わせ | お問い合わせはこちら |
| 型番/スペックシートDL | MC10L300 | 概要 | モーター延長ケーブル(3.0 m)、X-MCCシリーズコントローラおよびT10AまたはT12A周辺機器用 | リードタイム | 14-21日 | 見積もり/お問い合わせ | お問い合わせはこちら |
| 型番/スペックシートDL | MC10L450 | 概要 | モーター延長ケーブル(4.5 m)、X-MCCシリーズコントローラおよびT10AまたはT12A周辺機器用 | リードタイム | 14-21日 | 見積もり/お問い合わせ | お問い合わせはこちら |
閉じる
取り付け用ハードウェア
| 型番/スペックシートDL | 概要 | リードタイム | 見積もり/お問い合わせ | ||||
|---|---|---|---|---|---|---|---|
| 型番/スペックシートDL | AB104 | 概要 | アングルブラケット、90度、大型、メートル法 | リードタイム | 14-21日 | 見積もり/お問い合わせ | お問い合わせはこちら |
| 型番/スペックシートDL | AB164 | 概要 | アングルブラケット、90度、ラージ、LRQ | リードタイム | 14-21日 | 見積もり/お問い合わせ | お問い合わせはこちら |
| 型番/スペックシートDL | AB255 | 概要 | アングルブラケット、90度、メートル法、LDM | リードタイム | 14-21日 | 見積もり/お問い合わせ | お問い合わせはこちら |
| 型番/スペックシートDL | AB90M | 概要 | アングルブラケット、90度、メートル規格取り付け穴 | リードタイム | 14-21日 | 見積もり/お問い合わせ | お問い合わせはこちら |
| 型番/スペックシートDL | AP101 | 概要 | LSM底部アダプタプレート | リードタイム | 14-21日 | 見積もり/お問い合わせ | お問い合わせはこちら |
| 型番/スペックシートDL | AP165 | 概要 | LRQxP用アダプタープレート、XYスペーサー | リードタイム | 14-21日 | 見積もり/お問い合わせ | お問い合わせはこちら |
| 型番/スペックシートDL | AP257 | 概要 | アダプタプレート、M6グリッドからメートル法マウント | リードタイム | 14-21日 | 見積もり/お問い合わせ | お問い合わせはこちら |
閉じる













